| 型号 |
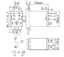
外形尺寸、内部接线图 |
产品型号及说明 |
备注 |
 |
|
HH61S(标准型)
HH61S-F(DC带浪涌抑制)
HH61S-CR(AC带浪涌抑制) |
继电器安装方式:
TH35*7.5导轨
直接安装
或法兰安装
继电器接线方式:
配187公端子
或直接电线焊接
|
产品特点
品种丰富,全系列共有1600多种型号、规格。
线圈控制电压DC6~120V,AC12V~240V(50/60Hz)。
应用范围广,触点适用电流从微弱电流到电源电流。
可靠性高,寿命长。
透明防尘罩,可带LED动作指示。
多种安装方式,备有各种专用插座供选用。
带手动按钮,方便线路测试、维修。
|
 |
型号说明

基本技术参数
| 项 目 |
HH52 |
HH53 |
HH54 |
HH61 |
HH62 |
HH63 |
HH64 |
| 触点数量 |
2M |
3组 |
4组 |
1组 |
2组 |
3组 |
4组 |
| 约定发热电流 |
5A |
15A |
10A |
| 额定绝缘电压 |
250VAC, 125VDC |
| 线固*工作电压 |
110%Us |
| 动作时间 |
≤ 20ms |
| 释放时间 |
≤ 20ms |
| 触点切换放时间 |
≥0.15ms |
| 触点接触电阻 |
≤50mΩ |
| 触点*工作电压 |
250V AC, 125V DC |
工频
耐压 |
断开触点间 |
AC 1100V, 50Hz, 1min |
| 触点极间 |
AC2200V, 50Hz, 1min |
| 触点-线圈间 |
AC2200V, 50Hz, 1min |
| 触点/线圈-地间 |
AC 1800V, 50Hz, 1min |
| 环境温度 |
-10-+55℃ |
| 污染等级 |
III |
| 绝缘电陌 |
≥100MQ |
| 操作频率 |
≤30次/分钟 |
| 附振动 |
10-55Hz,复振幅 1.0mm,1min |
| 附冲击 |
200m/s2, 11ms |
| 电气溥命 |
2 x105 次 |
| 机械寿命 |
AC: 2x 107次 ;DC: 5x107次 |
| 重量 |
约38g |
约50g |
约70g |
线圈规格
额定
电压
|
吸合
电压
|
释放
电压
|
吸合后线圈电流
|
吸合后线圈功耗
|
HH52/HH53
HH54/HH61
/HH62
|
HH63
|
HH64
|
HH52/HH53
HH54/HH61
/HH62
|
HH63
|
HH64
|
DC 6V
|
≤4.8V
|
≥0.6V
|
≤200mA
|
≤275mA
|
≤290mA
|
≤1.2W
|
≤1.8W
|
≤1.8W
|
DC 12V
|
≤9.6V
|
≥1.2V
|
≤100mA
|
≤140mA
|
≤145mA
|
DC 24V
|
≤19.2V
|
≥2.4V
|
≤50mA
|
≤70mA
|
≤80mA
|
DC 48V
|
≤38.4V
|
≥4.8V
|
≤25mA
|
≤35mA
|
≤36mA
|
DC 110V
|
≤88V
|
≥11V
|
≤10.9mA
|
≤16mA
|
≤18mA
|
AC 12V
|
≤9.6V
|
≥1.8V
|
≤134mA
|
≤190mA
|
≤230mA
|
≤1.8VA
|
≤2.5VA
|
≤3VA
|
AC 24V
|
≤19.2V
|
≥3.6V
|
≤67mA
|
≤94mA
|
≤115mA
|
AC 48V
|
≤38.4V
|
≥7.2V
|
≤33.5mA
|
≤47mA
|
≤58mA
|
AC 110V
|
≤88V
|
≥16.5V
|
≤14.6mA
|
≤18.5mA
|
≤30mA
|
AC 220V
|
≤176V
|
≥33V
|
≤7.3mA
|
≤11.5mA
|
≤15mA
|
注:1.以上参数为常温(25℃)时的参数。
2.交流规格为50Hz时的参数。
3.其他线圈电压规格,须特殊订货。
触点*容量
产品型号
|
阻性负载
|
感性负载(AC-15/DC-13)
|
HH52
HH53
|
DC110V,0.3A
|
DC110V,0.2A
|
DC30V,5A
|
DC30V,1A
|
AC240V,5A
|
AC240V,1A
|
HH54
|
DC110V,0.3A
|
DC110V,0.2A
|
DC30V,5A
|
DC30V,0.5A
|
AC240V,5A
|
AC240V,0.5A
|
HH61
|
DC110V,0.7A
|
DC110V,0.4A
|
DC30V,15A
|
DC30V,2A
|
AC240V,15A
|
AC240V,3A
|
HH62
HH63
HH64
|
DC110V,0.5A
|
DC110V,0.3A
|
DC30V,10A
|
DC30V,2A
|
AC240V,10A
|
AC240V,3A
|
|